Uttarakhand Junior Engineer Trainee (UBTER) Solved Paper 2015


Junior Engineer Trainee (UBTER) Post Code - 70 Solved Paper 2015

Question Number 39 to 50 are from Hindi language, see Hindi paper.

51. The power factor of an alternator is determined by its—
(A) Speed
(B) Load
(C) Excitation
(D) Prime mover

Show Answer

Answer – B

Hide Answer

52. An 8 pole wave connected d.c. generator has 900 armature conductors and a flux per pole of 0.04 Wb. At what speed it must be driven to generator 500 V?
(A) 208.33 r.p.m.
(B) 20.833 r.p.m.
(C) 900 r.p.m.
(D) 1600 r.p.m.

Show Answer

Answer – A

Hide Answer

53. A shunt d.c. motor of armature circuit resistance 0.25 Ω is connected to a 230 volt d.c. supply. The input line current is 8 A and the shunt field current 0.8 A. The e.m.f. generated in the armature is–
(A) 230 V
(B) 228.2 V
(C) 231.8 V
(D) 250 V

Show Answer

Answer – B

Hide Answer

54. The relation between Young’s Modulus (E) and bulk modulus (K) is given by the relation
(A) K= mE/3(m-2)
(B) K= mE/2(m+1)
(C) K= mE/3(m+2)
(D) K=mE2(m-1)

Show Answer

Answer – A

Hide Answer

55. Loss of head due to sudden enlargement is equal to—
(A)  exam paper
(B)  solved paper
(C)  exam
(D)  paper

Show Answer

Answer – D

Hide Answer

56. The discharge of a reciprocating pump will be maximum when the piston is at the
(A) Beginning of delivery stroke
(B) Middle of delivery stroke
(C) End of delivery stroke
(D) None of these

Show Answer

Answer – B

Hide Answer

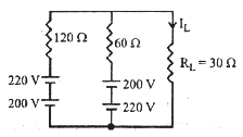
57. In the circuit shown below, the current through R, is—
post code 70
(A) 6 A
(B) 4 A
(C) 2 A
(D) 0

Show Answer

Answer – A

Hide Answer

58. Which of the following relations is correct—
(A)  junior engineer
(B)  junior engineer
(C)  junior engineer exam paper
(D) None of these

Show Answer

Answer – C

Hide Answer

59. Atomic number of silicon is–
(A) 12
(B) 14
(C) 23
(D) 9

Show Answer

Answer – B

Hide Answer

60. n-type silicon is obtained by doping silicon with
(A) Ge
(B) Al
(C) Bo
(D) Phosphorus

Show Answer

Answer – D

Hide Answer

Pages: 1 2 3 4 5


Leave a Reply

Your email address will not be published. Required fields are marked *